LE rivet SIM ou rivet type U est également appelé fausse vis.
Ce rivet SIM se monte en force dans un trou soit au marteau soit à
l'aide d'une presse.
Ce rivet existe en acier nickelé ou en inox.
L'application principale de ce rivet est la fixation des plaques
d'indentification des produits industrielles : ( vannes,
robineteries; etc)

| Jauge | 00 | 0 | 2 | 4 | 6 | 8 | 10 | 12 | 14 |
|---|---|---|---|---|---|---|---|---|---|
| d1 | 1.5 | 1.9 | 2.5 | 2.9 | 3.5 | 4.2 | 4.6 | 5.3 | 6.1 |
| d2 | 1.2 | 1.55 | 2.1 | 2.3 | 2.9 | 3.4 | 3.75 | 4.4 | 5.05 |
| d3 | 2.5 | 3.5 | 4 | 5 | 6.5 | 8 | 8.5 | 10 | 11 |
| k | .6 | 1.1 | 1.6 | 2.0 | 2.5 | 3.0 | 3.3 | 3.7 | 4.0 |
| Perçage recommandé | |||||||||
| matériau tendre | 1.3 | 1.65 | 2.2 | 2.55 | 3.1 | 3.7 | 4 | 4.7 | 5.4 |
| matériau dur | 1.35 | 1.7 | 2.25 | 2.65 | 3.2 | 3.8 | 4.2 | 4.9 | 5.7 |
| Longueurs standards, autres longueurs nous consulter | |||||||||
| 3.5 mm | X | X | X | ||||||
| 5 mm | X | X | X | X | |||||
| 6.5 mm | X | X | X | X | X | ||||
| 8 mm | X | X | X | X | X |
||||
| 9.5 mm | X | X | X | X | X | ||||
Le rivet d'assemblage est composé d'un rivet semi foré femelle et d'un rivet plein SIM mâle.

| Jauge | 11P | 9P | 6P | 4P |
|---|---|---|---|---|
| Ø D | 3 | 3.9 | 4.9 | 6 |
| Ø A | 5.65 | 8.1 | 8.7 | 10.2 |
| B | 1 | 1.10 | 1.6 | 1.6 |
| Ø F | 2 | 2.7 | 3.5 | 4.2 |
| P | 6 | 8 | 8 | 8 |

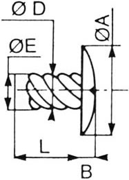
| Jauge | 11P | 9P | 6P | 4P |
|---|---|---|---|---|
| Ø D | 2.3 | 2.95 | 3.95 | 4.65 |
| Ø E | 1.9 | 2.4 | 3.2 | 3.8 |
| Ø A | 5.5 | 7.9 | 8.5 | 10 |
| B | .9 | 1 | 1.5 | 1.5 |
| L | 4.8 | 6.4 | 6.4 | 6.4 |
Commandez directement sur notre site de vente en ligne vos rivets SIM:
gfix.fr